Головна
Каталог
Контакти
Більше
Причіп Тандем центроосьовий 2-Х вісний
Причіп Тандем центроосьовий 2-Х вісний

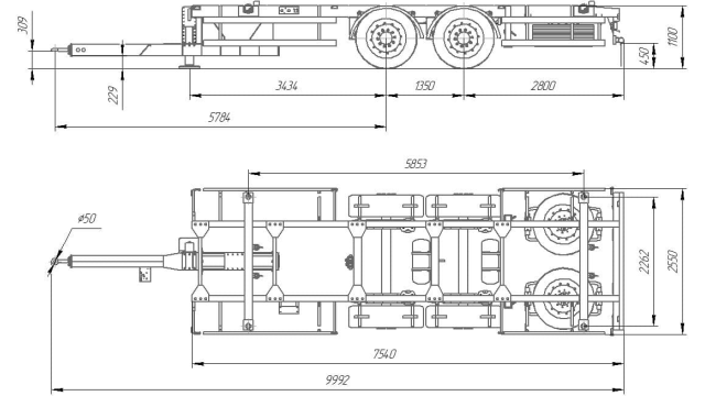
Країна виробник – Україна; Виробник – ТОВ «Зміїв-Транс» (більше 12 років на ринку виготовлення спеціалізованої сільськогосподарської техніки); Модель причепа – ZT-ПТ2-18 (Причіп тандем центроосьовий 2-х вісний); Вантажопідйомність причепа – 15 000 кг.; Довжина причепа – 10 000 мм.;

Рама причепа – металева конструкція виготовлена зі конструкційної сталі 09Г2С або S355 що складається з повздовжніх та поперечних балок. Обладнана дишлом з 2-дюумовою з’єднувальною петлею, кронштейнами приладів освітлення, світлової сигналізації, кронштейнами бризговиків. Спереду на лівому лонжероні рами напівпричепа встановлено кронштейн крана управління гальмами. Висота платформи причепа  – 1 100 мм.;

 

Шасі – двохвісьне, Saf Intrax (країна виробник Німеччина), гальма дискові. Технічне навантаження до 9 000 кг. Пневмопідвіска.

 

 

Опорні лапи – двухдіапазонні телескопічні Saf (країна виробник Німеччина) 24 т. з ручним одностороннім приводом;

 

Пневмосистема - EBS WABCO, відповідає вимогам ADR, автоматичне регулювання гальм, антиблокуюча система EBS з функцією Vehicle Stabijity;

 

 

Електрообладнання – світлотехніка ASPOCK  (країна виробник Австрія) 24 V, відповідає правилам ECE та ADR, задні ліхтарі об’єднані з ліхтарями заднього руху, освітлення номерного знаку, габаритні вогні, бокове освітлення, світловідбивні щити;

 

Автошини – марки Lanvigator (Китай), розміри 385/55 R22,5 (5 шт.), диски сталеві;

 

Фарбування причепа -  всі металеві деталі піддаються піскоструменевому очищенню, після чого проводиться повітряне очищається від пилу та залишків кварцевого піску. Потім метал вкривається поліуретановим грунтом, після чого  наноситься двокомпонентний грунт емаль. Завершується процес фарбування нанесенням окрилового лаку.

 

Інше обладнання – лебідка вантажопідйомністю 5 тон,  2 противідкатні клинки з кріпленням, кронштейн на два запасних колеса.

 

ГАРАНТІЯ – два роки при дотриманні правил експлуатації.

Залишити заявку